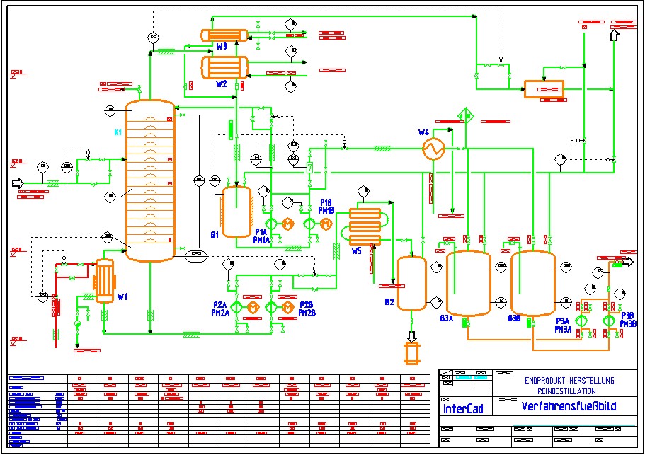
Verfahrensfließbild

Zurück zur vorherigen Seite